팝업레이어 알림

검색어를 입력해주세요
연구분석서비스

Research and Analysis

다양한 분야의 연구를 대행하는 학문적 연구기관으로
최고의 서비스를 제공하고 있습니다.

  • 3D 조직분석
    (New Analysis)
  • Micro-CT
  • 조직표본슬라이드 제작
  • 슬라이드 스캐닝
  • FE-SEM
  • 임상병리 분석
  • 병리판독
주요 성능 비교
기존 조직제작 신규 도입장비
Only 2D 단면 자료 획득 원하는 부위, 각도 별 2D & 3D 모두 획득
요청 제작단면 완전 일치 어려움 의뢰인 요청 부위 100% 일치 가능
제작 중 다양 위험 요소 산재 제작 중 위험요소 無
면역염색 => Single stain 기존 일반, 특수염색 모두 가능
면역염색=> Multiple stain
(항체시약 Multi 적용 가능)
Line-up
분석 예시
장비
이미지
2D & 3D 이미지 및 정량분석
Implant 체결 구조 분석
Paraffin 제작
탈회
(파라핀제작)
염 색 MT
H&E
TRAP
Safranin O
Toluidine blue
Picrosirius red
Tunel
IHC stain
IHC Antibody test
IF stain
IF Antibody test
Van gieson
Alcian blue
Elastin
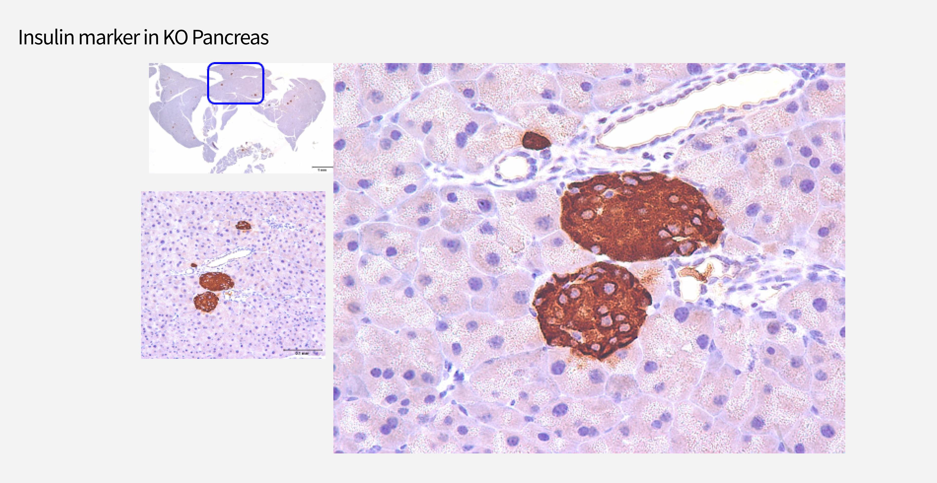
일반염색, 특수염색
면역염색
면역조직화학염색 (IHC)
면역형광염색(IF)
Resin 제작
비탈회
(레진제작)
염 색 MT
H&E
Goldner Trichrome
von kossa
Alizarin red stain
Toluidine blue
Rapid bone stain
Van gieson
bonestain
Pentachromestain
Picrosiriusred stain
Implant
3D printed lumbar cage
Coronary stent
Polymer
장비
Pannoramic 250 Flash III
3D HISTECH, Hungary
정량분석
장비
FE-SEM
Sigma 500
Zeiss, Germany
Results
임상병리 평가
혈액 분석
생화학 분석
자문위원
조직병리검사 결과보고서